Description
Alloy Wafer Butterfly Valve
Body: Alloy Steel, Stainless Steel, Cast Stainless Steel, Duplex Stainless Steel
Disc: Alloy Steel, Stainless Steel, Cast Stainless Steel, Duplex Stainless Steel
Stem: Stainless Steel
Packing: PTFE, Graphite
Nominal Diameter: DN40 to DN600
Nominal Pressure: PN10 to PN40, Class150, Class300, Class900, Class1500, Class2500
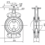
Dimensions
Class150
| DN | B | A | C | L | фK | F | N-фd |
| 40 | 67 | 141 | 32 | 33 | 110 | 50 | 4-ø18 |
| 50 | 67 | 141 | 32 | 43 | 125 | 50 | 4-ø18 |
| 65 | 75 | 151 | 32 | 46 | 145 | 50 | 4-ø18 |
| 80 | 95 | 160 | 32 | 46 | 160 | 70 | 8-ø18 |
| 100 | 111 | 180 | 32 | 52 | 180 | 70 | 8-ø18 |
| 125 | 129 | 193 | 32 | 56 | 210 | 70 | 8-ø18 |
| 150 | 142 | 207 | 32 | 56 | 240 | 102 | 8-ø22 |
| 200 | 170 | 240 | 45 | 60 | 295 | 102 | 8-ø22 |
| 250 | 206 | 270 | 45 | 68 | 350 | 102 | 12-ø22 |
| 300 | 238 | 316 | 45 | 78 | 400 | 125 | 12-ø22 |
| 350 | 267 | 368 | 45 | 78 | 460 | 125 | 16-ø22 |
| 400 | 298 | 400 | 51 | 86 | 515 | 140 | 12-ø26 |
| 450 | 318 | 422 | 51 | 105 | 565 | 140 | 20-ø26 |
| 500 | 349 | 479 | 57 | 130 | 620 | 165 | 20-ø26 |
| 600 | 410 | 562 | 70 | 152 | 725 | 254 | 20-ø30 |















